YXC-100/150(B)磁助電接點壓力表比普通電接點壓力表的觸頭功率更大,適用于測量對銅及銅合金無腐蝕、無爆炸危險、非結晶的各種液體、氣體等介質的壓力。儀表經與相應電氣件(繼電器或接觸器)配套使用,可達到對被測壓力系統實現預先設定的大或小壓力值的雙位自動控制和輸出信號(報警)的目的。
磁助電接點壓力表的電接觸信號針上,裝有可調節的磁鋼,可以增加接點吸力,加快接觸動作,從而使觸點接觸可靠,消除電弧,能有效地避免儀表由于工作環境振動或介質壓力脈動造成觸點的頻繁關斷。所以該儀表具有動作可靠、使用壽命長、觸點開關功率較大等優點。
磁助電接點壓力表儀表具有測量控制功能,可任意設定上、下控制壓力值,動作穩定可靠,在石油、化工、電站、冶金等工業企業及機電設備上廣泛配套使用。
一、磁助電接點壓力表結構原理:
儀表由測量系統、指示裝置、磁助電接點裝置、外殼、調節裝置及接線盒等組成。
當被測壓力作用于彈簧管時,其末端產生相應的彈性變形—位移,經傳動機構放大后,由指示裝置在度盤上指示出來。同時指針帶動電接點裝置的活動觸點與設定指針上的觸頭(上限或下限)相接觸的瞬時,致使控制系統接通或斷開電路,以達到自動控制和發信報警的目的。
二、技術指標:
1.接點裝置電氣參數及控制形式:
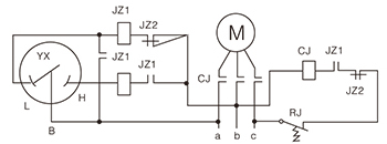
2.電氣電路連接示意圖:| 觸頭功率 | 高工作電壓 | 大工作電流 | 控制形式 |
| 30VA(阻性負載) | 220V D.C或380V A.C | 1A | 上下限、雙上限、雙下限 |
![]() |
JZ1、JZ2-繼電器及觸點 CJ-接觸器及觸點 RJ-熱繼電器 M-電機 YX-電接點壓力表 L-下限接點(綠) H-上限接點(紅) B-公共接點(黃) |
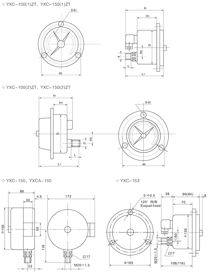
三、磁助電接點壓力表外形尺寸圖:

| 型 號 | D | H | H1 | H2 | D0 | d | d1 | B | B1 | L | L1 |
| YXC-60 | Φ60 | 46 | 13 | M14*1.5 | 56 | 72 | 14 | ||||
| YXC-100 | Φ100 | 95 | 17 | M20*1.5 | 87 | 121 | 20 | ||||
| YXC-100ZT | 96 | 33 | 30 | 118 | 5.5 | 115 | |||||
| YXC-150 | Φ150 | 78 | 40 | 17 | 165 | M20*1.5 | 5.5 | 113 | 150 | 20 | |
| YXC-150ZT | 78 | 30 | 100 |

YXC-100/150磁助電接點壓力表
YXC-100/150B不銹鋼磁助電接點壓力表
YEXC-100/150膜盒磁助電接點壓力表
YEXC-100/150B不銹鋼膜盒磁助電接點壓力表
YNXC-100/150耐震磁助電接點壓力表
YNXC-100/150B不銹鋼耐震磁助電接點壓力表
YENXC-100/150膜盒耐震磁助電接點壓力表
YENXC-100/150B不銹鋼膜盒耐震磁助電接點壓力表
YXC-100/150/MF/ML隔膜磁助電接點壓力表
YXC-100/150B/MF/ML不銹鋼隔膜磁助電接點壓力表
YNXC-100/150/MF/ML耐震隔膜磁助電接點壓力表
YNXC-100/150B/MF/ML不銹鋼耐震隔膜磁助電接點壓力表
YXC-100/150B不銹鋼磁助電接點壓力表
YEXC-100/150膜盒磁助電接點壓力表
YEXC-100/150B不銹鋼膜盒磁助電接點壓力表
YNXC-100/150耐震磁助電接點壓力表
YNXC-100/150B不銹鋼耐震磁助電接點壓力表
YENXC-100/150膜盒耐震磁助電接點壓力表
YENXC-100/150B不銹鋼膜盒耐震磁助電接點壓力表
YXC-100/150/MF/ML隔膜磁助電接點壓力表
YXC-100/150B/MF/ML不銹鋼隔膜磁助電接點壓力表
YNXC-100/150/MF/ML耐震隔膜磁助電接點壓力表
YNXC-100/150B/MF/ML不銹鋼耐震隔膜磁助電接點壓力表









![[list:title]](/uploads/allimg/180720/1-1PH0110G3.jpg)
